防倒转装置
防倒转装置又叫止逆器,是为了防止提升机在运行过程中非正常断电的情况下
出现倒转而安装的制动装置。有效地防止了提升机因倒转而发生堵料情况。
止逆器为滚珠止逆,安装于提升 机头号轮轴上,适用于提升高度较高,提升量
较大的提升机。

规格参数
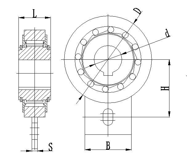
规格型号
内径d
外径D
厚度L
固定板
宽度B
固定板
厚度S
安装中心高H
D40-D55
40-55
152
60
80
10
80
D60-D75
60-75
194
70
90
12
90
D80-D95
80-95
220
70
100
16
100